Location:Index--->Product Center >> HVAC Control cools spare parts >> SAGINOMIYA fan speed controller RGE-Z1N4-5
|
|||||||||||||||||||
Product Description
SAGINOMIYA fan speed controller RGE-Z1N4-5
GENERAL DESCRIPTION
• The most suitable for controlling the condenser fan
speed of freezing or refrigeration condensing units,
package air conditioners, or other units which are
operated throughout the year.
• Keep condensing pressure constant in winter and
intermediate seasons for stable operation.
• Following modes are selectable during low-speed
operation.
Minimum Speed Operation
Cut off Operation
• Excellent electrical noise-resistant design.
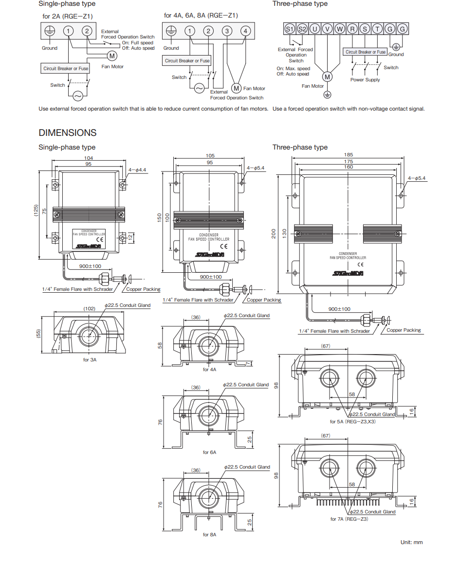
• Applicable to the external forced operation switch.
SPECIFICATIONS
• Max.working pressure: 4.7MPa
• Control method: Phase control
• Enclosure: IP54


Hits: 【Print】





German
Spanish
French
Italian
Portuguese
Japanese
Korean
Arabic
Russian
Indonesian
Vietnamese