Location:Index--->Product Center >> HVAC Control cools spare parts >> Saginomiya SNS Pressure Switch SNS-C106X
|
|||||||||||||||||||
Product Description
Saginomiya SNS Pressure Switch SNS-C106X
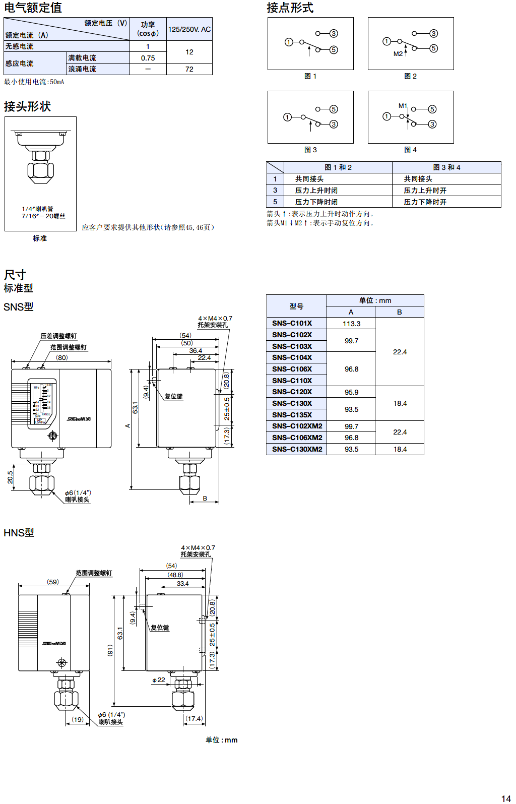
Saginomiya SNS-C106X
Type SNS is standard model. Reliable performance, and long life products.
Type HNS for high pressure safety cut out
Scale plate with significantly clear visibility
Compact and light weight
Fluid temperature: -20 to 120°C
Ambient temperature: -20 to 70°C
The general SNS pressure switches are widely used in fluorinated refrigerants, air and water control applications,with wide operating temperature range from -20°C to 120° C.
Key features include;
a. Option for drip proof enclosure for marine application or explosion proof for special applicationb. Stainless steel model available upon request
c. High durability



| Model | Range (MPa) | Differential (MPa) | Max. (MPa) | ||
| Min. | Max. | Min. | Max. | ||
| SNS-C101X | -0.06 | 0.1 | 0.015 | 0.05 | 0.3 |
| SNS-C102X | -0.02 | 0.2 | 0.025 | 0.15 | 0.5 |
| SNS-C103X | -0.06 | 0.3 | 0.035 | 0.2 | 1 |
| SNS-C104X | -0.06 | 0.4 | 0.04 | 0.2 | 1.5 |
| SNS-C106X | -0.06 | 0.6 | 0.06 | 0.4 | 1.5 |
| SNS-C110X | 0.1 | 1 | 0.1 | 0.3 | 1.5 |
| SNS-C120X | 0.5 | 2 | 0.2 | 0.5 | 3 |
| SNS-C130X | 0.5 | 3 | 0.3 | 1 | 3.3 |
| SNS-C135X | 1 | 3.5 | 0.5 | 1.5 | 3.8 |
Hits: 【Print】





German
Spanish
French
Italian
Portuguese
Japanese
Korean
Arabic
Russian
Indonesian
Vietnamese